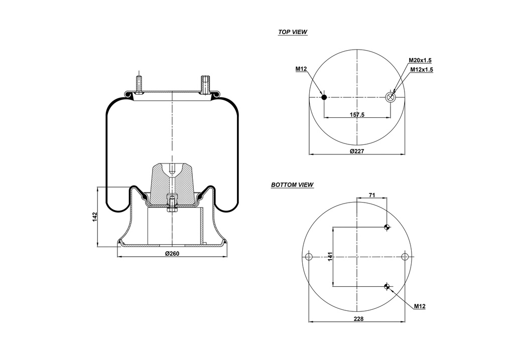
924156-03 C Air Spring Steel Piston

Part No: 9233217.03/2
https://www.oespparts.com/web/image/product.template/27390/image_1920?unique=fd0fccc

924156-03 C

0.00 ₺ 0.0 TRY 0.00 ₺

1.00 ₺

Not Available For Sale

  • Brand

This combination does not exist.

Brand: OESP

Şartlar ve Koşullar
30 günlük para iade garantisi
Nakliye: 2-3 İş Günü